Brake lights won’t work

Thread Tools
 
Search this Thread
 
Old Aug 25, 2023 | 08:02 AM
  #1  
Mikah Brandes's Avatar
Thread Starter
|
Junior Member
Joined: Aug 2023
Posts: 1
Likes: 0
Default Brake lights won’t work

I have a 2006 XC70 that has all brake lights out but I have replaced bulbs, fuses, a new REM, a new tailgate wiring harness, new brake pad sensor, new brake light switch, and the vacuum brake pump.

I’m at a total loss of ideas at this point as to what could possibly be causing them to not light up so hoping for some ideas here!
 
Reply
Old Aug 25, 2023 | 12:28 PM
  #2  
hoonk's Avatar
Senior Member
Joined: Jul 2020
Posts: 5,113
Likes: 676
From: GA
Default

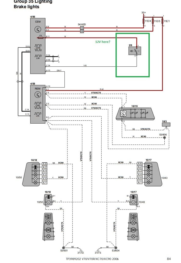
Do you have 12v at the brake light sw? (with your $5 test light) Does the 3rd brake light work? The CEM might send the "turn on the brake lights" signal on the canbus to the REM - Water intrusion is ~common with the CEM - have you checked the CEM for water intrusion/damage?
Or does the brake light signal go on a physical green/yellow wire from terminal a:15 on the CEM to terminal a:18 on the REM - then exits to the left and right bulbs at terminal b:3 on the REM?

 
Reply
Related Topics
Thread
Thread Starter
Forum
Replies
Last Post
shwebo
Volvo 240, 740 & 940
5
May 19, 2022 06:37 PM
Nate Harris
General Volvo Chat
3
Dec 29, 2021 02:06 PM
2404me
Volvo 240, 740 & 940
14
Aug 29, 2016 10:55 AM
WalterXI
Volvo 240, 740 & 940
5
Sep 17, 2009 12:51 PM
SDozier
Volvo 850
2
Oct 4, 2006 11:29 PM




All times are GMT -5. The time now is 08:26 PM.