General Volvo Chat Post Your Questions And Comments on any of Volvo's many models.

08 XC70 climate control interchangeable?

Thread Tools
 
Search this Thread
 
Old Feb 28, 2024 | 07:58 PM
  #1  
Kevncat22's Avatar
Thread Starter
|
Junior Member
Joined: Feb 2024
Posts: 3
Likes: 0
Question 08 XC70 climate control interchangeable?

i just purchased 08 XC70, the stereo and climate control dont work and we have checked the fuses and the wires, all seems to be good so looking into purchasing one off bay. My question is what numbers need to match in order for me to plug it in and it work? i dont want to have to reprogram it after i get it.
 
Reply
Old Feb 29, 2024 | 08:50 AM
  #2  
hoonk's Avatar
Senior Member
Joined: Jul 2020
Posts: 5,113
Likes: 677
From: GA
Default

xemodex.com might know if used climate modules would be plug and play.

But you should use a compatible scanner to talk to all the control units before randomly replacing parts. It's always best to diagnose before replacing stuff you don't need.

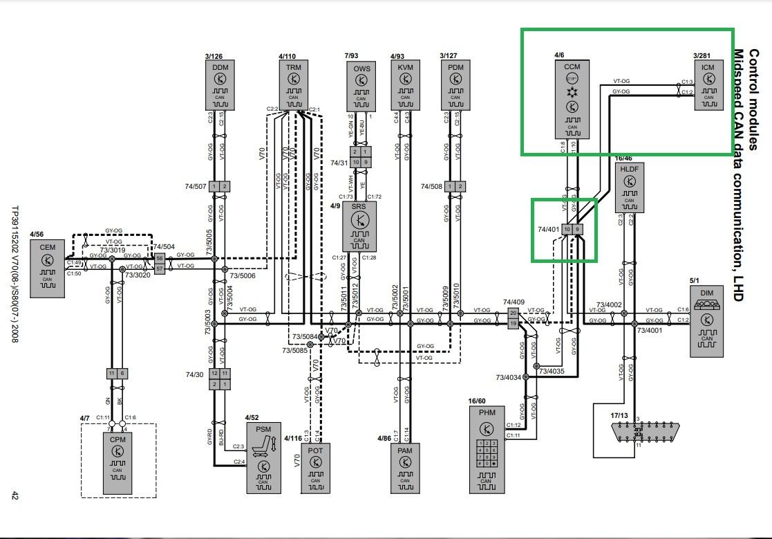
For instance - if there's a connection problem in the can bus network - the CCM (climate) and ICM (infotainment ) modules are on their own "leg" of the network, and can be disconnected without causing problems in the network. Those systems won't work if there's a connection problem in the network wires. (below is just the can network portion, the rest of the wiring is on other pages) Wiring diagrams can be found at volvodiag.com


 
Reply
Related Topics
Thread
Thread Starter
Forum
Replies
Last Post
lisaj
Volvo XC70
1
Jan 25, 2023 08:27 AM
VolvoPatrick
2001-2013 model year XC70
1
Aug 21, 2022 09:10 AM
aclarke207
2001-2013 model year XC70
1
May 18, 2022 12:46 PM
PJ5670
New Members Area
0
Apr 20, 2018 06:31 AM
evergreen123
Volvo XC70
0
Jul 3, 2011 03:06 PM




All times are GMT -5. The time now is 08:01 PM.