Volvo S80 A performance sedan that offers top notch luxury, outstanding handling and so much more.

Cooling issues

Thread Tools
 
Search this Thread
 
Old Nov 23, 2020 | 01:19 PM
  #1  
Angry 04 S80's Avatar
Thread Starter
|
Junior Member
Joined: Nov 2020
Posts: 2
Likes: 0
Default Cooling issues

Advice needed! How can I tell if the cooling fan relay is bad in my 04 S80? It has a new water pump, radiator,and reservoir but once the car comes up to temp all of the coolant boils out. It doesn’t appear that the fan is coming on at all.
 
Reply
Old Nov 23, 2020 | 02:31 PM
  #2  
hoonk's Avatar
Senior Member
Joined: Jul 2020
Posts: 5,113
Likes: 677
From: GA
Default

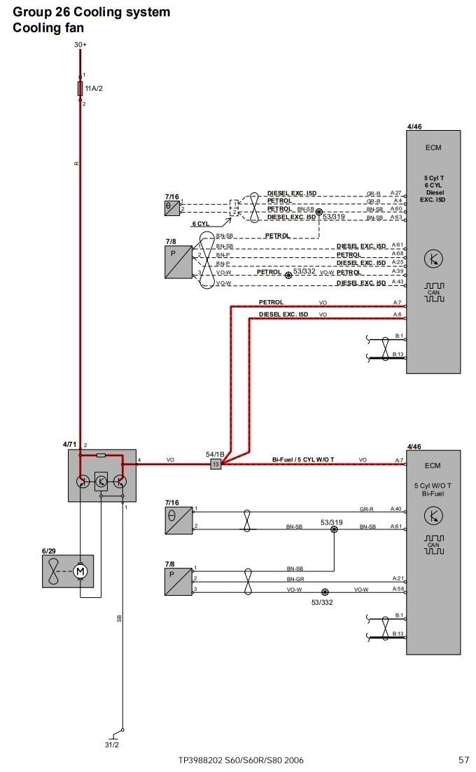
There is no relay. The fan uses 3 wires. There is 12 volts coming from fuse a2, and a "turn on" signal from the Engine control unit and a ground. In the attached diagram 6/29 is the fan motor, 4/71 is the controller. The fan controller is built onto the fan and Volvo does not sell it by itself. So either the controller is bad and not turning the fan on - or the ecm is not sending the signal. The fan should come on with ac compressor use also if the pressures are high enough and it's not too cold outside and the engine is not overheating.
 

Last edited by hoonk; Nov 23, 2020 at 02:33 PM.
Reply
Old Feb 9, 2021 | 10:55 PM
  #3  
Angry 04 S80's Avatar
Thread Starter
|
Junior Member
Joined: Nov 2020
Posts: 2
Likes: 0
Default The fan works but.....

Hoonk, after reading more questions and replies in the forum I tested the fan by turning on the A/C and the cooling fan does come on but only with the A/C switched on. All of the fuses are good what am I missing???
 
Reply
Old Feb 10, 2021 | 03:22 PM
  #4  
hoonk's Avatar
Senior Member
Joined: Jul 2020
Posts: 5,113
Likes: 677
From: GA
Default

Originally Posted by Angry 04 S80
I tested the fan by turning on the A/C and the cooling fan does come on but only with the A/C switched on. All of the fuses are good what am I missing???
Get a scan tool and view live data in regard to the signal from the coolant temp sensor. If the ECU never thinks the engine gets hot enough, it won't turn the fan on. Too cold for too long will also set a code and turn on the check engine light.

Or you simply could have a blown head gasket - where the combustion gasses are getting into the cooling system, preventing flow of coolant, and possibly keeping the coolant away from the temp sending unit. The temp sender measures coolant temp not air temp.

Does it smell funny in the coolant bottle?
 

Last edited by hoonk; Feb 10, 2021 at 03:25 PM.
Reply
Related Topics
Thread
Thread Starter
Forum
Replies
Last Post
azokone
Volvo S80
10
Jan 17, 2022 10:42 PM
aprotec58
Volvo S80
3
Sep 7, 2011 01:07 PM
louswheel
Volvo 850
1
Aug 10, 2011 12:00 PM
Spike555
Volvo 850
8
Jul 6, 2011 07:00 PM
fredrickhewett
Volvo 850
2
Apr 19, 2011 10:03 PM




All times are GMT -5. The time now is 06:39 AM.