Volvo V40 A super safe wagon, this attainable Volvo offers something for everyone.

v40 2002 CEM replacement

Thread Tools
 
Search this Thread
 
Old May 31, 2022 | 11:16 PM
  #21  
DerReskator's Avatar
Junior Member
Joined: May 2022
Posts: 11
Likes: 0
Default

Got it now - thanks a lot! Adaptation can be made without VIDA? Obviously you highlighted that adaptation is continous, but just checking. Can the full guide be seen somewhere?

Any thoughts on
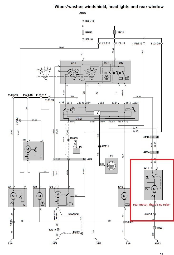
- Rearwindow wiper doesn't work anymore, so is the only 2 ways to fix it to a) try another CEM b) replace the faulty relay?
- Overcharging? Plus terminal gathers some corrosion/foam-thingy?
 
Reply
Old Jun 1, 2022 | 09:54 AM
  #22  
hoonk's Avatar
Senior Member
Joined: Jul 2020
Posts: 5,113
Likes: 677
From: GA
Default

Originally Posted by DerReskator
1. Adaptation can be made without VIDA?

2. Rearwindow wiper doesn't work anymore,

3.terminal gathers some corrosion/foam-thingy?
1. Use VIDA or a compatible scan tool to set the trans control unit into adaptation mode. Then disconnect scan tool and follow prescribed driving pattern. Adaptation mode is cancelled when the car is turned off. Does not help with internal trans problems - I've tried on my own cars.

2. There's no relay. See below

3. The corrosion build up is caused by battery gasses leaking between the plastic case and the lead terminal. Could be worse from a high charging rate - that's not adjustable , but could be higher than normal due to a high resistance in the battery. (possibly an old battery)







 
Reply
Old Jun 1, 2022 | 02:19 PM
  #23  
DerReskator's Avatar
Junior Member
Joined: May 2022
Posts: 11
Likes: 0
Default

1. Aww gosh darnit.. I don't have VIDA or any tool for that at this point. VIDA is the s*** I guess, but is there any cheapish alternative for that? What did you mean by "Does not help with internal trans problems"?

2. I'll slightly challenge that. Red arrow should be pointing to relay within CEM(?). I also included a pic from elsewhere - does that come with faulty information (relay nr. 1)?



3. Battery should be brand new so I guess I got unlucky with that and got a broken one?

Quick edit: addendum to number 1. I have iCarsoft CR MAX. Is there some software or some way to load more abilities to diagnose/service Volvo V40 1st gen?
 

Last edited by DerReskator; Jun 1, 2022 at 02:23 PM.
Reply
Old Jun 1, 2022 | 02:45 PM
  #24  
hoonk's Avatar
Senior Member
Joined: Jul 2020
Posts: 5,113
Likes: 677
From: GA
Default

Edit, there is no external plug in relay - yes there are relays in control modules. For a customer I would replace a module with a bad connection/relay with a new or reman (from xemodex and others) that had a warranty. Customers don't like to have another problem with something you remotely touched (my car won't idle anymore - and you just replaced my idler arm bushing was said to me once) They tend to get pissed, write bad reviews and tell anyone they can how they were ripped off. DIYers are more forgiving of themselves.
 
Reply
Old Jun 20, 2022 | 01:35 PM
  #25  
DerReskator's Avatar
Junior Member
Joined: May 2022
Posts: 11
Likes: 0
Default

Well hot diggity.. my lights went all over the place again. Can it really be the brand new battery (well, 3-4 months now but anyway..) that is doing something or could it be voltage regulator or could it be something else? I would NOT want to buy new battery already.
 
Reply
Old Aug 21, 2022 | 01:13 AM
  #26  
DerReskator's Avatar
Junior Member
Joined: May 2022
Posts: 11
Likes: 0
Default

Is there any way to know what CEM SHOULD be installed (you know.. 3085xxxx, 3063xxx etc)? What happens with wrong CEM?
 
Reply
Related Topics
Thread
Thread Starter
Forum
Replies
Last Post
Newport_j
New Members Area
3
Feb 21, 2019 04:13 PM
cantffordvolvo
Volvo S40
8
Feb 14, 2013 10:11 PM
cally51
Volvo S40
2
Jun 1, 2012 08:56 AM
lbj
Volvo S40
2
Mar 20, 2006 08:41 PM
lbj
Volvo V40
0
Mar 20, 2006 09:13 AM




All times are GMT -5. The time now is 07:55 PM.