Battery, fuel pump, starter....
Good day guys....I have had my 1996 Volvo 850 10 years. I have had my battery 4 years. My question is should I change the battery out before the winter. Also I'm thinking about changing the starter and fuel pump because they have not been changed since I've owned the car. I was raised in the school of "if it ain't broke, don't fix it".
Your opinions will be truly appreciated. Thank you .
P.S....I'm getting intermittent starting issues. Cold start requires bumping the starter twice. Sometimes I get nothing, dashboard lights up, no crank. This is solved by either multiple attempts or turning the door key....go figure.
Your opinions will be truly appreciated. Thank you .
P.S....I'm getting intermittent starting issues. Cold start requires bumping the starter twice. Sometimes I get nothing, dashboard lights up, no crank. This is solved by either multiple attempts or turning the door key....go figure.
Batteries can be tested - and their life span can vary based on climate, battery size, brand. I typically got 6-7 years on my 850 but I always used a premium battery with max cca and warranty ratings. I would also replace once I noticed slow cranking on a cold day. I would not change the starter unless it fails. A more typical issue is in the battery terminals and big cable to the starter. Inspect that by looking for any signs of corrosion, bubbly insulation, swelling which can indicate corrosion inside the cable. That will lead to resistance/heat - not good for starting on a cold day. As to the fuel pump - do you know if its original or just never changed by you. A typical sign of a weak fuel pump is when it draws too much current. That can overheat the relay (so you'd get intermittant random stalls. ), so that's what I'd test first. You can also test fuel pressure at start up and running - check our RobertDIY's video on YouTube.
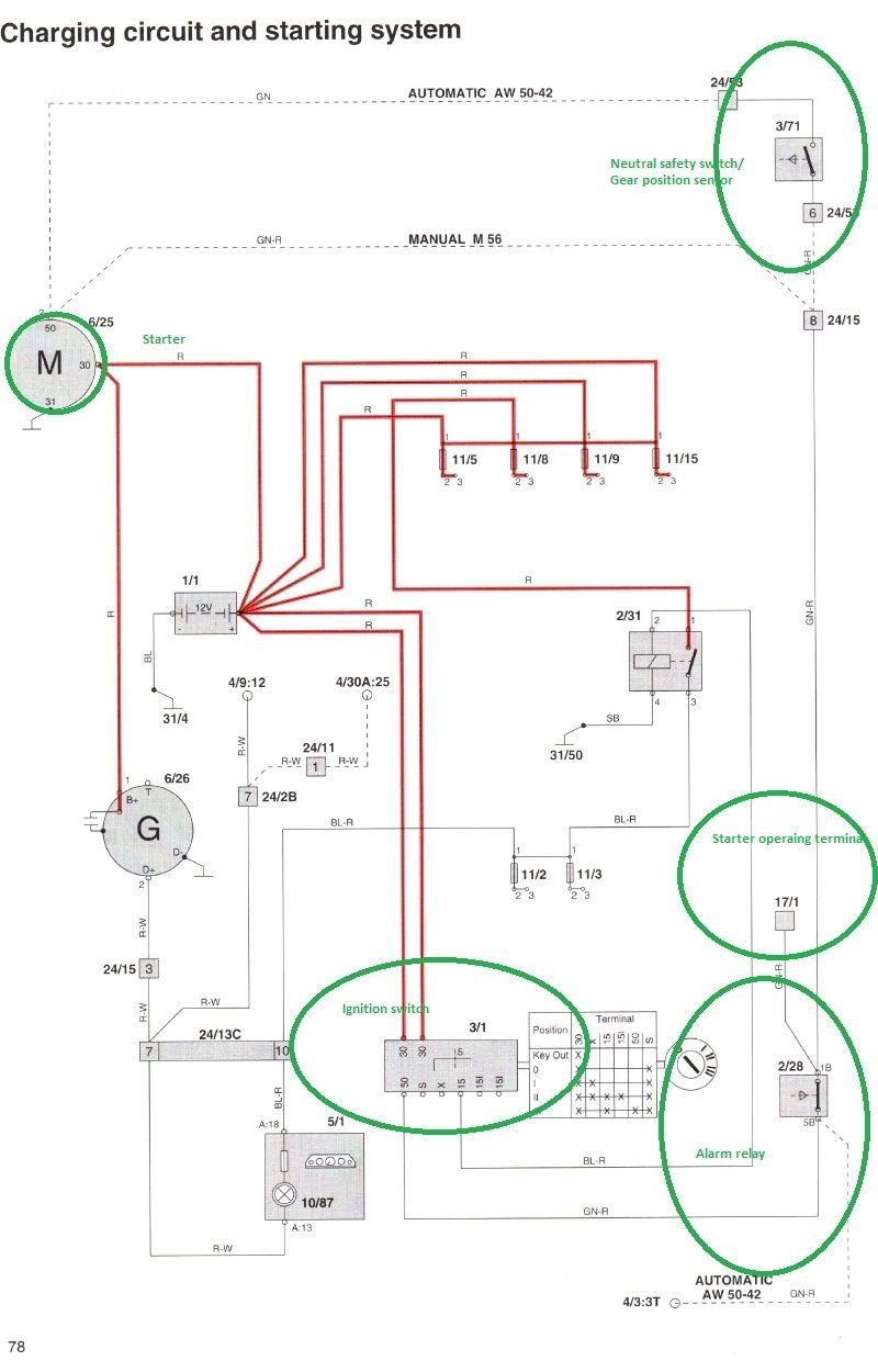
Regarding the cold start issue. What happens if you wiggle the key in the ignition switch? Sounds like you may have have something going on with the ignition switch. Also try doing a "shifter row" (Park to Lo to Park 10x fast) to clean up the PNP switch contacts from time to time.
Regarding the cold start issue. What happens if you wiggle the key in the ignition switch? Sounds like you may have have something going on with the ignition switch. Also try doing a "shifter row" (Park to Lo to Park 10x fast) to clean up the PNP switch contacts from time to time.
The 98-2000 cars had a problem with resistance in the crimped battery terminal to cable connections - but I don't recall that being a problem in the earlier 850s.
Wow! Thank you for sending such a detailed response. Car totally would not start in front of the bank today. Did all the tricks I knew to do, nothing. I ran through the gears a few times, door locks, bumped the starter with a hammer nothing. On the second try of putting the car in neutral and trying, it started. Went by my friend who is a seasoned mechanic and he didn't believe that was the issue. We jacked the car up and found corrosion around the connectors, and cleaned them off. I told him how the car cold started having to bump the starter twice. He said that If the car gives me starting issues again, change the starter out. He's going to love looking at your diagrams.
The car wouldn't start at all in front of the bank today. I tried your suggestion, along with bumping the starter with a hammer, playing with the door locks, nothing. After running through the gear selector. On my second attempt I paced the selector in neutral and Bam! she started. I drove by my friend who is a seasoned mechanic and he didn't think that was the problem. So we jacked the car up and we saw that there was corrosion around the starter connection . When I told him about the having to bump the starter twice after the car sat for more than an hour. He thought this might be a starter going bad. Thank you for your response.
I have rarely replaced starters. (38 years in the Volvo repair business) When they fail usually they simply never work again. Unless there is a bad connection at the small or the big wires, or the car has sat for long periods of time and had corrosion on the armature preventing contact.
I have however replaced many gear position sensors on 850s, svc70s, 960/sv90s (same part) for many problems.
I have however replaced many gear position sensors on 850s, svc70s, 960/sv90s (same part) for many problems.
Last edited by hoonk; Aug 3, 2022 at 06:30 PM.
Thread
Thread Starter
Forum
Replies
Last Post
Marvco Promotional Products
New Members Area
6
Sep 14, 2019 03:43 PM



