New Members Area Just Joined? Be sure to pop in here and introduce yourself.

relay locations

Thread Tools
 
Search this Thread
 
Old Jan 11, 2026 | 11:30 AM
  #1  
mikegu's Avatar
Thread Starter
|
Junior Member
Joined: Jan 2008
Posts: 1
Likes: 0
From: SE Connecticut
Default relay locations

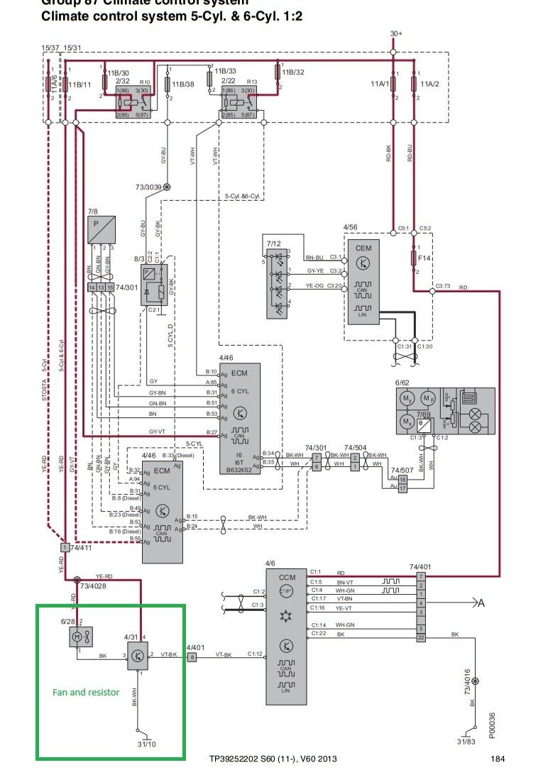
My 2013 s60 blower fan does not work. does anyone know where the cabin fan blower relay is located? I replaced the relay (9441158) located in the lower fuse tray drivers side engine compartment but I am not sure if that is the correct relay. FYI. I replaced the blower and the the resistor 6 months ago and it stopped working. I also just replaced the resistor again and confirmed that the fuse is good. Any help is appreciated.
 
Reply
Old Jan 11, 2026 | 02:45 PM
  #2  
hoonk's Avatar
Senior Member
Joined: Jul 2020
Posts: 5,113
Likes: 677
From: GA
Default

There is no heater fan relay shown in the wiring diagram. Fuse 11 in the B fusebox is a 40 amp fuse for the fan motor. For reference wiring diagrams for your car can be found at volvodiag.com under the EWD tab.


 
Reply
Old Jan 13, 2026 | 06:15 AM
  #3  
marchel's Avatar
Junior Member
Joined: Jul 2021
Posts: 4
Likes: 0
Default Girls In Your City - No Selfie - Anonymous Casual Dating

Private Lady From Your Town - No Verify - Anonymous Adult Dating
https://PrivateLadyEscorts.com

Private Lady In Your City - Anonymous Sex Dating - No Verify
 
Reply
Related Topics
Thread
Thread Starter
Forum
Replies
Last Post
tatcat
Volvo 850
3
Jul 13, 2015 04:21 PM
reecesp1eces
Volvo 850
3
Feb 3, 2014 12:20 AM
theman
Volvo 850
3
Oct 10, 2013 05:29 AM
ramon
Volvo XC90
9
Jun 6, 2013 12:27 PM
golfrepairmanri
Volvo 850
5
Oct 28, 2008 09:30 PM




All times are GMT -5. The time now is 02:40 PM.