Xc70 amplifier
Hi everybody! I own a 2008 xc70 with the premium sound audio system. Unfortunately, most of the speakers don’t work. The drivers side door speaker works perfectly fine, but the others are all extremely quiet. I’ve read that the driver side speaker is connected directly to the head unit while the others are connected to the amp, which leads me to believe the amp is the problem. When I isolate the sound to the other speakers they play music, but at a very low volume, so I was wondering if anybody might know what’s going on?
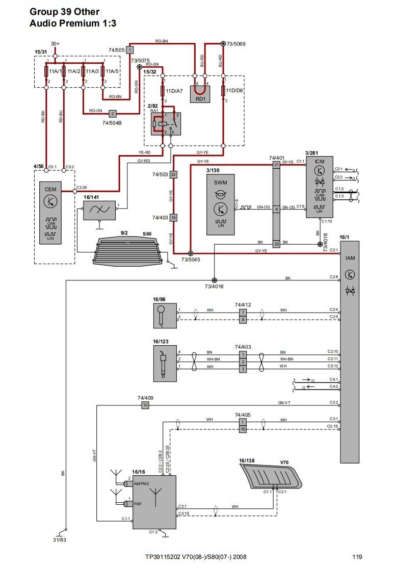
16/1 is the IAM (integrated audio module) in the dash (the cd player is part of it)
3/281 is the ICM (infortainment control module) the screen and controls in the dash.
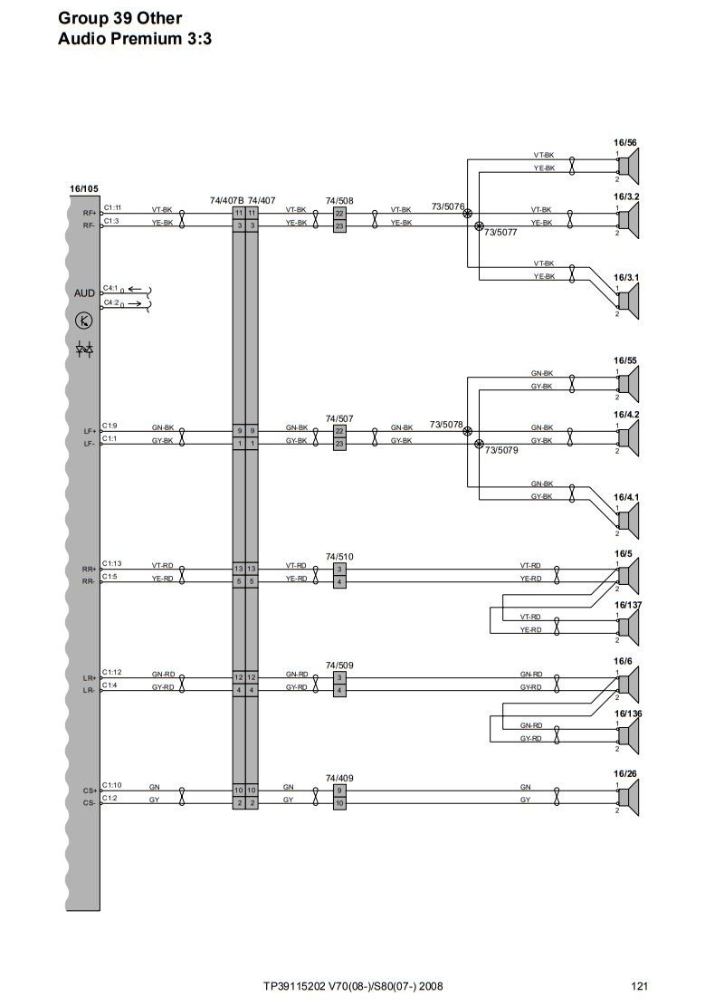
Looks like all the speakers (16/3.1-16/6 and 16/55-56) are connected to the amp under the seat (16/105) Have you had water leaks into the car? That can flood and destroy your amp.
I’m not really sure how to directly reply to your message so I hope this works. I bought the car a few weeks ago so I’m not sure if there has been any leaks, but it doesn’t look like there has ever been. If all speakers are connected to the amp then I’m not sure why the drivers side speakers would work perfectly fine and the others wouldn’t? My first thought was that they were all blown but I wasn’t sure how likely it was for 3 to be blown and the 4th to be fine. Today I will check fuses and within the next few days I’ll try to pull the amp to see if there is corrosion.
Jeez alright well then I guess it’s back to the amp but it’s strange that the drivers speaker works and the other 3 are quiet.
Thread
Thread Starter
Forum
Replies
Last Post
SHOtyme
Audio/Visual Electronics
0
Jul 19, 2016 02:29 AM



