ECU failures 1992 240
I have a no start issue which started a month ago. It has all the symptoms of an ECU chip failure or a bad electrical connection somewhere. The car only starts if I bypass the fuel pumps relay, (the relay is closing but it does not energize the pumps). No CE light and the codes are all 1-1-1 .
I tested the ECU and the relay in my other (1990 DL) Volvo and it works fine. I stick the working ECU from the 90 into the 92 and the 92 still won't start. Is there some difference in the two cars electrical systems which could explain this?
Lastly bubba said "leaving the jumper wire on defeats the safety feature of cutting fuel when no spark exists" Does this mean danger as in the the engine flooding or danger as in the kids are toast?
I tested the ECU and the relay in my other (1990 DL) Volvo and it works fine. I stick the working ECU from the 90 into the 92 and the 92 still won't start. Is there some difference in the two cars electrical systems which could explain this?
Lastly bubba said "leaving the jumper wire on defeats the safety feature of cutting fuel when no spark exists" Does this mean danger as in the the engine flooding or danger as in the kids are toast?
Last edited by soundmiami; Feb 10, 2009 at 09:08 AM.
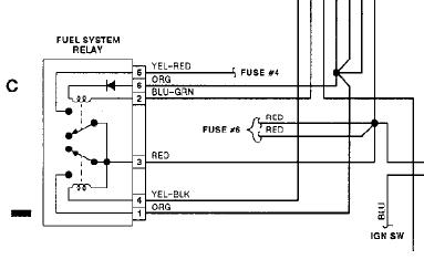
While cranking and the jumper removed, measure the voltage on the right side of fuses 4 and 6 during a no-start condition. This will confirm if power is entering and leaving the relay, and if the voltage levels are sufficent for the pumps.
[QUOTE=soundmiami;143489]"leaving the jumper wire on defeats the safety feature of cutting fuel when no spark exists" QUOTE]
That only applies to grounding the blue-green wire on the FP relay, which is really only relevant to 1990 pink-label ecus.
That only applies to grounding the blue-green wire on the FP relay, which is really only relevant to 1990 pink-label ecus.
Fuse 4 has no voltage and fuse 6 has 12 v...11.4+ while cranking. The new relay came from groton today, I figured it couldn't hurt as the OEM ones in both my 240s look 15 years old.
Other than both pumps running all the time, is there a danger to driving with the relay bypassed (but still fused) while I work on this? Will it damage something else?
Other than both pumps running all the time, is there a danger to driving with the relay bypassed (but still fused) while I work on this? Will it damage something else?
Last edited by soundmiami; Feb 10, 2009 at 03:21 PM.
If the last 3 numbers of the Bosch ECU part numbers are the same (-561) then they should interchange.
Driving with the jumper should be avoided but I don't see how it would hurt anything with the fuses in place.
It starts everytime with the jumper (you always have spark)?
Next maybe try grounding the blue-green wire at the relay.
Driving with the jumper should be avoided but I don't see how it would hurt anything with the fuses in place.
It starts everytime with the jumper (you always have spark)?
Next maybe try grounding the blue-green wire at the relay.
If this is a B230 and a non-ECU issue, go to www.stepbystepvolvo.com for free guide to diagnosing no-starts in 740/940s.
The car starts every time with the jumper, as soon I pull it, the car died and grounding the green blue wire at the relay did nothing, The problem sure seems like no power to the the pumps but you say there is a fuel kill function in the ignition? Will it hurt to ground the coil while I'm cranking or is there a better way to check for spark?
After a good 17 year run I sold the '90 240 yesterday so I've lost my part checker car for the time being. Anyone got a nice 940 they want to sell?
After a good 17 year run I sold the '90 240 yesterday so I've lost my part checker car for the time being. Anyone got a nice 940 they want to sell?
Last edited by soundmiami; Feb 14, 2009 at 02:52 PM.
It appears the orange wires are red/black in my case. If so,the circuit reads 12v when the key first turns on, then 10.8 volts while cranking.
Last edited by soundmiami; Feb 15, 2009 at 03:52 PM.
With voltage on the red and orange, blue-green grounded means you sould be seeing something on fuse 4. Sure seems like a bad connection somewhere or the fuel ECU. Sometimes its the wires where they plug into the fuse panel on the side. Or maybe corrsion at the fuel ECU connector? seems odd ...
Thread
Thread Starter
Forum
Replies
Last Post




