Volvo C70 This sporty coupe has a three-piece retractable hardtop for unsurpassed fun whether the the top is up or down.

1999 convertibles woes.

Thread Tools
 
Search this Thread
 
Old Jun 24, 2021 | 07:11 PM
  #1  
JimRob's Avatar
Thread Starter
|
Junior Member
Joined: Jun 2021
Posts: 11
Likes: 0
Default 1999 convertibles woes.

I recently bought a 99 C70 T5. The top was not working due to a remote control unit being removed in the trunk that operated the top. I hooked all the wires back up. The e brake is on, car running and doors shut. The windows will come down 2 inches when I hold the roof switch. The top will start to go up in the back and go to vertical position then gets stuck. The rear cover will not open up on it's own. The front latch will not unlatch by itself. Raising the roof will lower the back and lock it shut most of the time. Is there a way to reset the top function. Most of the time I have a solid light on the roof button. When the roof loses itself the light blinks.
 

Last edited by JimRob; Jun 25, 2021 at 08:50 AM.
Reply
Old Jun 25, 2021 | 10:56 AM
  #2  
JimRob's Avatar
Thread Starter
|
Junior Member
Joined: Jun 2021
Posts: 11
Likes: 0
Default

I'm messing with my roof again today and this is what is happening. The roof unlatched at the back and raises up about 3 inches and stops. The drivers side tries to go up and the right side is not moving. If I raise the back manually a bit more it still does the same thing. Maybe I have a bad motor or broken wire on the passenger side. There is no blinking light on the top button.
 
Reply
Old Jun 25, 2021 | 11:30 AM
  #3  
hoonk's Avatar
Senior Member
Joined: Jul 2020
Posts: 5,113
Likes: 677
From: GA
Default

That system has self diagnostics - a good first step would be scanning the system with a compatible scan tool. There is also a emergency manual crank to raise and lower the top. Your owners manual is here - this is page 100
https://volvo.custhelp.com/app/manua...nual/om_id/880




 
Reply
Old Jun 25, 2021 | 06:02 PM
  #4  
JimRob's Avatar
Thread Starter
|
Junior Member
Joined: Jun 2021
Posts: 11
Likes: 0
Default

Thanks for the link to the manual. I didn't get one with the car or the tools for the top. A large screwdriver fits where the T tool goes and I have a zigzag Allen wrench for the motor drives. I found that an electric drill works the best on the motors. I need to find the breakers for the roof. One of them could be bad.
 
Reply
Old Jun 25, 2021 | 06:22 PM
  #5  
hoonk's Avatar
Senior Member
Joined: Jul 2020
Posts: 5,113
Likes: 677
From: GA
Default

Originally Posted by JimRob
I need to find the breakers for the roof. One of them could be bad.
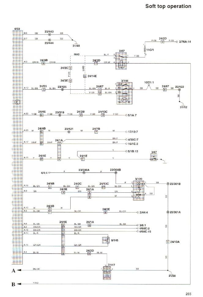
Here's the wiring - no "circuit breakers", / correction - circuit breakers are #41 and 42 - a couple of relays, a few fuses and a bunch of switches. Best thing would be a scan to talk to 4/59 - the soft top control module - and hopefully point you in the right direction.



 

Last edited by hoonk; Jun 26, 2021 at 03:26 PM. Reason: corrected circuit breakers
Reply
Old Jun 25, 2021 | 06:28 PM
  #6  
hoonk's Avatar
Senior Member
Joined: Jul 2020
Posts: 5,113
Likes: 677
From: GA
Default

Here's component locations


 
Reply
Old Jun 25, 2021 | 06:46 PM
  #7  
JimRob's Avatar
Thread Starter
|
Junior Member
Joined: Jun 2021
Posts: 11
Likes: 0
Default

Thank you very much for all the info. The manual does say that there are two circuit breakers for the top, #41 and 42. I think I need to find a copy of VIDA DICE and a reader to troubleshoot this issue.
 
Reply
Old Jun 25, 2021 | 08:46 PM
  #8  
hoonk's Avatar
Senior Member
Joined: Jul 2020
Posts: 5,113
Likes: 677
From: GA
Default

Yes - 11/c 37-42 are circuit breakers - if they are the same part number swap them around to see if that helps.




 
Reply
Old Jun 25, 2021 | 09:40 PM
  #9  
JimRob's Avatar
Thread Starter
|
Junior Member
Joined: Jun 2021
Posts: 11
Likes: 0
Default

You are awesome. I couldn't find the location of them. They are under the fuse box. I will do that tomorrow.
 
Reply
Old Jun 28, 2021 | 05:35 PM
  #10  
JimRob's Avatar
Thread Starter
|
Junior Member
Joined: Jun 2021
Posts: 11
Likes: 0
Default

The circuit breakers are good. Today I swapped the plug around 180 degrees on the back window lift motor on the passenger side. While the drivers side was trying to go up this one was definitely going down. Once I unlock the roof in the trunk and shut the trunk, I can use the up and down switch to make the back window to flip all the way up. After that I can here something like a motor making noise for about 5 seconds and it stops. The cover in the back will not lift up and the front part of the roof will not unlatch. Can somebody tell me the actual sequence as to the way the roof operates. My guess is that the back window unlatcheds and then raises all the way up against the roof. Then the back cover unlocks and raises all the way up vertical. Then the front unlatches and raises up about 10 degrees. Then the whole roof folds back into the storage space. Then the roof cover closes down and the cover latches lock.
 
Reply
Old Jun 30, 2021 | 04:05 PM
  #11  
JimRob's Avatar
Thread Starter
|
Junior Member
Joined: Jun 2021
Posts: 11
Likes: 0
Default

I also noticed that my radio stays on and the antenna stays up when I try to lower the roof. I believe that this is wrong. Someone in the past had a remote setup in the trunk to operate the roof. I wonder if they bypassed the radio and antenna somehow. For now that is on hold as I need to fix my AC.
 
Reply
Related Topics
Thread
Thread Starter
Forum
Replies
Last Post
IanMitch
Volvo C70
5
May 22, 2023 01:33 PM
Kar Kare
New Members Area
0
Jun 2, 2020 01:02 PM
CJP
Volvo C70
5
Aug 9, 2017 10:59 PM
oliver_03
Volvo C70
0
Mar 17, 2017 01:37 PM
defleppardsg
Volvo S60 & V60
4
Feb 23, 2016 01:32 PM




All times are GMT -5. The time now is 06:44 AM.