A/C Pressure Switch Mystery . . .

Thread Tools
 
Search this Thread
 
Old Aug 29, 2022 | 08:07 AM
  #1  
Cubic_Curiosity's Avatar
Thread Starter
|
Senior Member
Joined: Feb 2015
Posts: 120
Likes: 1
Default A/C Pressure Switch Mystery . . .

Greetings!

Here's the old Volvo service mystery of the day (for me, at least).

Which of the following pressure switches do what on the '95 960 A/C system:
  • 1343216 (black) Helpful official Volvo name: "Pressostat"
  • 6848532 (grey) Helpful official Volvo name: "Pressostat"
  • 6848533 (brown or yellow) Helpful official Volvo name: "Pressostat"
  • 6848534 (magenta) Helpful official Volvo name: "Pressostat"
According to what little information I can find anywhere, one of these is the system's low-pressure limit switch, one is the high-pressure limit switch, and one is the safety cutout switch. There might be a fourth one in the mix as well, IDK...

Anyone have access to the relevant service information which might actually describe which item performs which function?

Thank you!
 
Reply
Old Aug 29, 2022 | 08:37 AM
  #2  
hoonk's Avatar
Senior Member
Joined: Jul 2020
Posts: 5,111
Likes: 675
From: GA
Default

Here's a recent thread with info.

https://volvoforums.com/forum/volvo-...ooting-110828/
 

Last edited by hoonk; Aug 29, 2022 at 08:47 AM.
Reply
Old Aug 29, 2022 | 08:54 AM
  #3  
Cubic_Curiosity's Avatar
Thread Starter
|
Senior Member
Joined: Feb 2015
Posts: 120
Likes: 1
Default

Nope, saw that one already. Part description info not there...

Need actual switch color breakout
 

Last edited by Cubic_Curiosity; Aug 29, 2022 at 08:57 AM.
Reply
Old Aug 29, 2022 | 08:59 AM
  #4  
hoonk's Avatar
Senior Member
Joined: Jul 2020
Posts: 5,111
Likes: 675
From: GA
Default

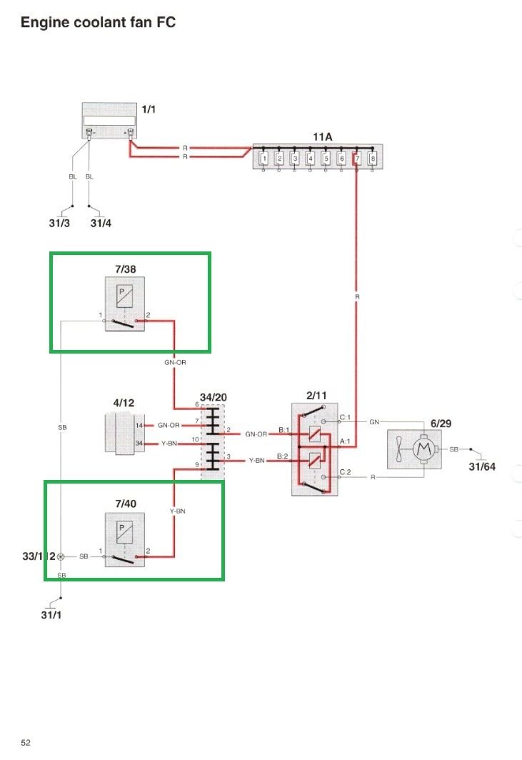
Two of the switches control the fan speed in relation to condensor pressures. So the one on the left is the ac compressor high pressure cutoff, and the two right ones are for high and low fan speed. The switch on the accumulator is for low pressure compressor cut off. I'll look for switch color info when I can get back to the system with that info on it in a couple of days.

 

Last edited by hoonk; Aug 29, 2022 at 09:13 AM.
Reply
Old Aug 29, 2022 | 02:42 PM
  #5  
Cubic_Curiosity's Avatar
Thread Starter
|
Senior Member
Joined: Feb 2015
Posts: 120
Likes: 1
Default

Thanks, hoonk, for dropping by again and posting.

Looking forward to what you find...
 
Reply
Related Topics
Thread
Thread Starter
Forum
Replies
Last Post
Nigel Adelaide
Volvo 260, 760 & 960
10
Oct 12, 2013 07:16 PM
RCoryC
Volvo 850
8
Sep 19, 2013 10:23 AM
BrickSykes
Volvo 240, 740 & 940
2
Jun 4, 2009 08:44 AM
Dainos
Volvo 850
3
Jan 30, 2008 06:09 PM
rich850
Volvo 850
3
Aug 30, 2006 08:13 PM




All times are GMT -5. The time now is 02:26 AM.